
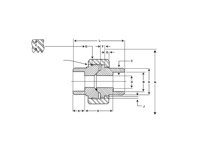
| DIMENSIONS OF SOCKET - WELD AND THREADED UNION (BS3799) (in mm) |
||||||||||||
| Nom. Pipe Size | Pipe End Min | Socket Bore Dia. | Socket Wall Min. | Water Way Bore | Laying Length | Male Flange Min. | Nut Min. | Threads Per 25.4 Max | Bearing Min. | Depth of Socket Min. | Length Assem. Nominal | Clear Assem. Nut |
| A | B | C | D | E | F | G | H | J | K | L | N | |
| 1/8 | 21.8 | 10.92 10.67 |
3.17 | 6.83 6.43 |
22.4 19.0 |
3.17 | 3.17 | 16 | 1.24 | 9.6 | 41.1 | 49.0 |
| ¼ | 21.8 | 14.22 13.97 |
3.30 | 9.85 9.45 |
22.4 19.0 |
3.17 | 3.17 | 19 | 1.24 | 9.6 | 41.4 | 49.0 |
| 3/8 | 25.9 | 17.78 17.53 |
3.48 | 13.92 13.51 |
26.9 20.6 |
3.43 | 3.43 | 14 | 1.37 | 9.6 | 46.0 | 55.0 |
| ½ | 31.2 | 21.84 21.59 |
4.06 | 17.47 17.07 |
26.9 20.6 |
3.68 | 3.68 | 14 | 1.50 | 9.6 | 49.0 | 57.0 |
| ¾ | 37.1 | 27.18 26.92 |
4.27 | 21.79 21.39 |
31.8 25.4 |
4.06 | 4.06 | 11 | 1.68 | 12.7 | 56.9 | 67.0 |
| 1 | 45.5 | 34.04 33.78 |
4.95 | 28.14 27.74 |
34.3 26.2 |
4.57 | 4.44 | 11 | 1.85 | 12.7 | 62.0 | 79.0 |
| 11/4 | 54.9 | 42.67 42.42 |
5.28 | 35.76 35.36 |
40.6 32.5 |
5.33 | 5.21 | 11 | 2.13 | 12.7 | 71.1 | 94.0 |
| 11/2 | 61.5 | 48.77 48.51 |
5.54 | 41.61 41.20 |
42.2 34.0 |
5.84 | 5.59 | 10 | 2.31 | 12.7 | 75.5 | 111.0 |
| 2 | 75.2 | 61.47 61.21 |
6.05 | 52.53 52.12 |
45.3 37.3 |
6.60 | 6.35 | 10 | 2.69 | 15.8 | 86.1 | 132.0 |
| 21/2 | 91.7 | 74.17 73.66 |
7.65 | 64.72 64.31 |
61.7 52.1 |
7.49 | 7.11 | 8 | 3.07 | 15.8 | 102.4 | 148.0 |
| 3 | 109.2 | 90.17 89.66 |
8.31 | 77.67 77.27 |
63.8 53.6 |
8.25 | 8.00 | 8 | 3.53 | 15.8 | 109.0 | 175.0 |

| DIMENSIONS OF STEEL PLUG & BUSHINGS (BS 3799) (In mm) | ||||||||
| Nominal Pipe Size |
Length (Minimim) A |
|||||||
| Plugs Square Head | Plugs Round Head | Hex Plugs & Bushings | ||||||
| Height of Square (Minimum) B |
Width Flats (Minimum) C |
Nominal Diameter of Head E |
Length (Minimum) D |
Width Flats (Nominal) F |
Hex Height (Min.) | |||
| Bushing G |
Plug H |
|||||||
| 1/8'' | 9.7 | 6.6 | 7.1 | 10.4 | 35.1 | 11.2 | - | 6.4 |
| 1/4'' | 11.2 | 6.6 | 9.7 | 13.5 | 41.1 | 15.7 | 3.0 | 6.4 |
| 3/8'' | 12.7 | 7.9 | 11.2 | 17.5 | 41.1 | 17.5 | 4.1 | 7.9 |
| 1/2'' | 14.2 | 9.7 | 14.2 | 21.3 | 44.5 | 22.4 | 4.8 | 7.9 |
| 3/4'' | 15.7 | 11.2 | 15.7 | 26.9 | 44.5 | 26.9 | 5.6 | 9.7 |
| 1'' | 19.1 | 12.7 | 20.6 | 33.3 | 50.8 | 35.1 | 6.4 | 9.7 |
| 1-1/4'' | 20.6 | 14.2 | 23.9 | 42.9 | 50.8 | 44.5 | 7.1 | 14.2 |
| 1-1/2'' | 20.6 | 15.7 | 28.4 | 48.5 | 50.8 | 50.8 | 7.9 | 15.7 |
| 2'' | 22.4 | 17.5 | 33.3 | 60.5 | 63.5 | 63.5 | 8.6 | 17.5 |
| 2-2/2'' | 26.9 | 19.1 | 38.1 | 73.2 | 69.9 | 76.2 | 9.7 | 19.1 |
| 3'' | 28.4 | 20.6 | 42.9 | 88.9 | 69.9 | 88.9 | 10.4 | 20.6 |
| 4'' | 31.8 | 25.4 | 53.5 | 114.3 | 76.2 | 117.3 | 12.7 | 25.4 |
CAUTIONARY NOTE REGARDING HEX HEAD BUSHINGS : Hex head Bushings of one size reduction should not be used in services wherein they might be subject to harmful and forces other than internal pressures.