
| DIN 2573 PN 6 (in mm) | ||||||||
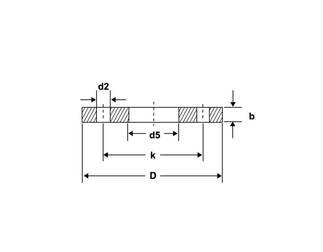
| Nominal Pipe Size | Diameter of | Flange I.D | Flange Dia | Thickness of Flange | Dia of Bolt Circle | No. of | Dia of Bolt Holes | |
| DN | Pipe | D5 | D | B | K | holes | D2 | KG |
| 10 | 17.20 | 17.70 | 75 | 12 | 50 | 4 | 11 | 0.36 |
| 15 | 21.30 | 22.00 | 80 | 12 | 55 | 4 | 11 | 0.40 |
| 20 | 26.90 | 27.60 | 90 | 14 | 65 | 4 | 11 | 0.59 |
| 25 | 33.70 | 34.40 | 100 | 14 | 75 | 4 | 11 | 0.72 |
| 32 | 42.40 | 43.10 | 120 | 16 | 90 | 4 | 14 | 1.16 |
| 40 | 48.30 | 49.00 | 130 | 16 | 100 | 4 | 14 | 1.35 |
| 50 | 60.30 | 61.10 | 140 | 16 | 110 | 4 | 14 | 1.49 |
| 65 | 76.10 | 77.10 | 160 | 16 | 130 | 4 | 14 | 1.86 |
| 80 | 88.90 | 90.30 | 190 | 18 | 150 | 4 | 14 | 2.96 |
| 100 | 114.30 | 115.90 | 210 | 18 | 170 | 4 | 18 | 3.26 |
| 125 | 139.70 | 141.60 | 240 | 20 | 200 | 8 | 18 | 4.31 |
| 150 | 168.20 | 170.50 | 265 | 20 | 225 | 8 | 18 | 4.76 |
| 200 | 219.10 | 221.80 | 320 | 22 | 280 | 8 | 18 | 6.87 |
| 250 | 273.00 | 276.20 | 325 | 24 | 335 | 12 | 18 | 8.94 |
| 300 | 323.90 | 327.60 | 440 | 24 | 395 | 12 | 22 | 11.91 |
| 350 | 355.60 | 359.70 | 480 | 26 | 445 | 12 | 22 | 16.52 |
| 400 | 406.40 | 411.00 | 540 | 28 | 495 | 16 | 22 | 18.84 |
| 450 | 457.00 | 462.30 | 595 | 30 | 550 | 16 | 22 | 24.52 |
| 500 | 508.00 | 513.60 | 645 | 30 | 600 | 20 | 22 | 26.37 |

| DIN 2576 PN 10 (in mm) | ||||||||
| Nominal Pipe Size | Diameter of | Flange I.D | Flange Dia | Thickness of Flange | Dia of Bolt Circle | No. of | Dia of Bolt Holes | |
| DN | Pipe | D5 | D | B | K | holes | D2 | KG |
| 10 | 17.20 | 17.70 | 90 | 14 | 60 | 4 | 14 | 0.60 |
| 15 | 21.30 | 22.00 | 95 | 14 | 65 | 4 | 14 | 0.67 |
| 20 | 26.90 | 27.60 | 105 | 16 | 75 | 4 | 14 | 0.94 |
| 25 | 33.70 | 34.40 | 115 | 16 | 85 | 4 | 14 | 1.11 |
| 32 | 42.40 | 43.10 | 140 | 16 | 100 | 4 | 18 | 1.62 |
| 40 | 48.30 | 49.00 | 150 | 16 | 110 | 4 | 18 | 1.85 |
| 50 | 60.30 | 61.10 | 165 | 18 | 125 | 4 | 18 | 2.46 |
| 65 | 76.10 | 77.10 | 185 | 18 | 145 | 4 | 18 | 2.99 |
| 80 | 88.90 | 90.30 | 200 | 20 | 160 | 8 | 18 | 3.61 |
| 100 | 114.30 | 115.90 | 220 | 20 | 180 | 8 | 18 | 3.99 |
| 125 | 139.70 | 141.60 | 250 | 22 | 210 | 8 | 18 | 5.41 |
| 150 | 168.30 | 170.50 | 285 | 22 | 240 | 8 | 22 | 6.55 |
| 175 | 193.70 | 196.10 | 315 | 24 | 270 | 8 | 22 | 8.42 |
| 200 | 219.10 | 221.80 | 340 | 24 | 295 | 8 | 22 | 9.28 |
| 250 | 273.00 | 276.20 | 395 | 26 | 350 | 12 | 22 | 11.85 |
| 300 | 323.90 | 327.60 | 445 | 26 | 400 | 12 | 22 | 13.61 |
| 350 | 355.60 | 359.70 | 505 | 28 | 460 | 16 | 22 | 20.35 |
| 400 | 406.40 | 411.00 | 565 | 32 | 515 | 18 | 26 | 27.52 |
| 450 | 457.00 | 462.30 | 615 | 38 | 565 | 20 | 26 | 35.11 |
| 500 | 508.00 | 613.60 | 670 | 38 | 620 | 20 | 26 | 40.20 |
| 600 | 610.00 | 615.50 | 780 | 40 | 725 | 20 | 26 | 51.87 |