
| DIN 2527 PN6 (in mm) | DIN 2527 PN10 (in mm) | |||||||||||||
| Nominal Pipe Size | Flange Dia | Thickness of Flange | Dia of Bolt Circle | No. of | Dia of Bolt Holes | Nominal Pipe Size | Flange Dia | Thickness of Flange | Dia of Bolt Circle | No. of | Dia of Bolt Holes | |||
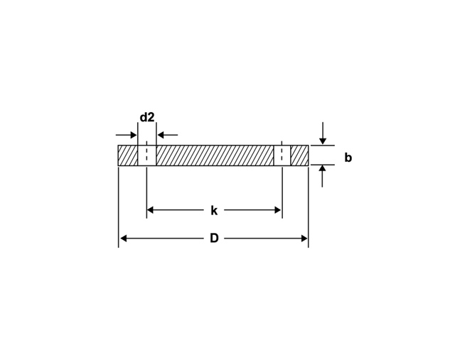
| DIN | D | B | K | holes | D2 | KG | DIN | D | B | K | holes | D2 | KG | |
| 10 | 75 | 12 | 50 | 4 | 11 | 0.38 | 10 | 90 | 14 | 60 | 4 | 14 | 0.63 | |
| 15 | 80 | 12 | 55 | 4 | 11 | 0.44 | 15 | 95 | 14 | 65 | 4 | 14 | 0.71 | |
| 20 | 90 | 14 | 65 | 4 | 11 | 0.66 | 20 | 105 | 16 | 75 | 4 | 14 | 1.01 | |
| 25 | 100 | 14 | 75 | 4 | 11 | 0.82 | 25 | 115 | 16 | 85 | 4 | 14 | 1.23 | |
| 32 | 120 | 14 | 90 | 4 | 14 | 1.18 | 32 | 140 | 16 | 100 | 4 | 18 | 1.81 | |
| 40 | 130 | 14 | 100 | 4 | 14 | 1.39 | 40 | 150 | 16 | 110 | 4 | 18 | 2.09 | |
| 50 | 140 | 14 | 110 | 4 | 14 | 1.62 | 50 | 165 | 18 | 125 | 4 | 18 | 2.88 | |
| 65 | 160 | 14 | 130 | 4 | 14 | 2.14 | 65 | 185 | 18 | 145 | 4 | 18 | 3.65 | |
| 80 | 190 | 16 | 150 | 4 | 48 | 3.43 | 80 | 200 | 20 | 160 | 4 | 18 | 4.61 | |
| 100 | 210 | 16 | 170 | 4 | 18 | 4.22 | 100 | 220 | 20 | 180 | 4 | 18 | 5.65 | |
| 125 | 240 | 18 | 200 | 8 | 18 | 6.10 | 125 | 250 | 22 | 210 | 8 | 18 | 8.13 | |
| 150 | 265 | 18 | 225 | 8 | 18 | 7.51 | 150 | 285 | 22 | 240 | 8 | 22 | 10.49 | |
| 175 | 295 | 20 | 255 | 8 | 18 | 10.41 | 175 | 315 | 24 | 270 | 8 | 22 | 14.11 | |
| 200 | 320 | 20 | 280 | 8 | 18 | 12.31 | 200 | 340 | 24 | 295 | 8 | 22 | 16.53 | |
| 250 | 375 | 22 | 335 | 12 | 18 | 18.55 | 250 | 395 | 26 | 350 | 12 | 22 | 24.08 | |
| 300 | 440 | 22 | 395 | 12 | 22 | 25.47 | 300 | 445 | 26 | 400 | 12 | 22 | 30.81 | |
| 350 | 490 | 22 | 445 | 12 | 22 | 31.78 | 350 | 505 | 26 | 460 | 12 | 22 | 39.64 | |
| 400 | 540 | 22 | 495 | 16 | 22 | 38.50 | 400 | 565 | 26 | 515 | 16 | 26 | 49.44 | |
| 500 | 645 | 24 | 600 | 20 | 22 | 60.13 | 500 | 670 | 28 | 620 | 20 | 26 | 75.16 | |
| 600 | 755 | 28 | 705 | 20 | 26 | 96.07 | 600 | 780 | 30 | 725 | 20 | 30 | 109.20 | |
| 700 | 860 | 30 | 810 | 24 | 26 | 133.80 | 700 | 895 | 32 | 840 | 24 | 30 | 153.77 | |
| 800 | 975 | 32 | 920 | 24 | 30 | 183.29 | 800 | 1015 | 36 | 950 | 24 | 33 | 222.86 | |
| 900 | 1075 | 36 | 1020 | 24 | 30 | 251.70 | 900 | 1115 | 40 | 1050 | 24 | 33 | 299.08 | |
| 1000 | 1175 | 42 | 1120 | 28 | 30 | 350.98 | 1000 | 1230 | 46 | 1160 | 28 | 36 | 418.78 | |
| DIN 2527 PN16 (in mm) | DIN 2527 PN25 (in mm) | |||||||||||||
| Nominal Pipe Size | Flange Dia | Thickness of Flange | Dia of Bolt Circle | No. of | Dia of Bolt Holes | Nominal Pipe Size | Flange Dia | Thickness of Flange | Dia of Bolt Circle | No. of | Dia of Bolt Holes | |||
| DIN | D | B | K | holes | D2 | KG | DIN | D | B | K | holes | D2 | KG | |
| 10 | 90 | 14 | 60 | 4 | 14 | 0.63 | 90 | 90 | 16 | 60 | 4 | 14 | 0.72 | |
| 15 | 95 | 14 | 65 | 4 | 14 | 0.71 | 95 | 95 | 16 | 65 | 4 | 14 | 0.81 | |
| 20 | 105 | 16 | 75 | 4 | 14 | 1.01 | 105 | 105 | 18 | 75 | 4 | 14 | 1.14 | |
| 25 | 115 | 16 | 85 | 4 | 14 | 1.23 | 115 | 115 | 18 | 85 | 4 | 14 | 1.38 | |
| 32 | 140 | 16 | 100 | 4 | 18 | 1.81 | 140 | 140 | 18 | 100 | 4 | 18 | 2.03 | |
| 40 | 150 | 16 | 110 | 4 | 18 | 2.09 | 150 | 150 | 18 | 110 | 4 | 18 | 2.35 | |
| 50 | 165 | 18 | 125 | 4 | 18 | 2.88 | 165 | 165 | 20 | 125 | 4 | 18 | 3.20 | |
| 65 | 185 | 18 | 145 | 4 | 18 | 3.65 | 185 | 185 | 22 | 145 | 4 | 18 | 4.29 | |
| 80 | 200 | 20 | 160 | 8 | 18 | 4.61 | 200 | 200 | 24 | 160 | 8 | 18 | 5.54 | |
| 100 | 220 | 20 | 180 | 8 | 18 | 5.65 | 235 | 220 | 24 | 190 | 8 | 22 | 7.60 | |
| 125 | 250 | 22 | 210 | 8 | 18 | 8.13 | 270 | 250 | 26 | 220 | 8 | 26 | 10.82 | |
| 150 | 285 | 22 | 240 | 8 | 22 | 10.49 | 300 | 285 | 28 | 250 | 8 | 26 | 14.60 | |
| 175 | 315 | 24 | 270 | 8 | 22 | 14.11 | 330 | 315 | 28 | 280 | 8 | 26 | 17.40 | |
| 200 | 340 | 24 | 295 | 12 | 22 | 16.26 | 360 | 340 | 30 | 310 | 12 | 26 | 22.47 | |
| 250 | 405 | 26 | 355 | 12 | 26 | 24.99 | 425 | 405 | 32 | 370 | 12 | 30 | 33.51 | |
| 300 | 460 | 28 | 410 | 12 | 26 | 35.13 | 485 | 460 | 34 | 430 | 12 | 30 | 46.29 | |
| 350 | 520 | 30 | 470 | 16 | 26 | 48.01 | 555 | 520 | 38 | 490 | 16 | 33 | 68.08 | |
| 400 | 580 | 32 | 525 | 16 | 30 | 83.53 | 620 | 580 | 40 | 550 | 16 | 36 | 89.59 | |
| 500 | 715 | 36 | 650 | 20 | 33 | 108.63 | 730 | 715 | 45 | 660 | 20 | 36 | 140.66 | |
| 600 | 780 | 38 | 770 | 20 | 36 | 136.47 | 845 | 780 | 48 | 770 | 20 | 39 | 202.30 | |
| 700 | 895 | 40 | 840 | 24 | 36 | 189.87 | 960 | 895 | 50 | 875 | 24 | 42 | 271.05 | |
| 800 | 1015 | 44 | 950 | 24 | 39 | 269.57 | 1085 | 1015 | 54 | 990 | 24 | 48 | 373.52 | |
| 900 | 1115 | 48 | 1050 | 28 | 39 | 355.31 | 1185 | 1115 | 58 | 1090 | 28 | 48 | 479.07 | |
| 1000 | 1230 | 52 | 1170 | 28 | 42 | 469.20 | 1320 | 1230 | 62 | 1210 | 28 | 56 | 632.47 | |
| DIN 2527 PN40 (in mm) | DIN 2527 PN64 (in mm) | |||||||||||||
| Nominal Pipe Size | Flanges Dia | Thickness of Flange | Dia of Bolt Circle | No. of | Dia of Bolt Holes | Nominal Pipe Size | Flanges Dia | Thickness of Flange | Dia of Bolt Circle | No. of | Dia of Bolt Holes | |||
| DIN | D | B | K | holes | D2 | KG | DIN | D | B | K | holes | D2 | KG | |
| 10 | 90 | 16 | 60 | 4 | 14 | 0.72 | 10 | 90 | 20 | 70 | 4 | 14 | 1.04 | |
| 15 | 95 | 16 | 65 | 4 | 14 | 0.81 | 15 | 95 | 20 | 75 | 4 | 14 | 1.16 | |
| 20 | 105 | 18 | 75 | 4 | 14 | 1.14 | 20 | 105 | 24 | 100 | 4 | 18 | 2.54 | |
| 25 | 115 | 18 | 85 | 4 | 14 | 1.38 | 25 | 115 | 24 | 110 | 4 | 22 | 3.07 | |
| 32 | 140 | 18 | 100 | 4 | 18 | 2.03 | 32 | 140 | 26 | 125 | 4 | 22 | 3.97 | |
| 40 | 150 | 18 | 110 | 4 | 18 | 2.35 | 40 | 150 | 26 | 135 | 4 | 22 | 4.51 | |
| 50 | 165 | 20 | 125 | 4 | 18 | 3.20 | 50 | 165 | 26 | 160 | 4 | 22 | 5.69 | |
| 65 | 185 | 22 | 145 | 8 | 18 | 4.29 | 65 | 185 | 28 | 170 | 8 | 22 | 6.88 | |
| 80 | 200 | 24 | 160 | 8 | 18 | 5.54 | 80 | 200 | 30 | 200 | 8 | 26 | 9.99 | |
| 100 | 235 | 24 | 190 | 8 | 22 | 7.60 | 100 | 235 | 34 | 240 | 8 | 30 | 15.91 | |
| 125 | 270 | 26 | 220 | 8 | 26 | 10.82 | 125 | 270 | 36 | 280 | 8 | 33 | 23.32 | |
| 150 | 300 | 28 | 250 | 8 | 26 | 14.60 | 150 | 300 | 40 | 310 | 8 | 33 | 30.35 | |
| 175 | 350 | 32 | 295 | 12 | 30 | 22.04 | 175 | 350 | 42 | 345 | 12 | 36 | 39.17 | |
| 200 | 375 | 34 | 320 | 12 | 30 | 27.21 | 200 | 375 | 46 | 400 | 12 | 38 | 56.64 | |
| 250 | 450 | 38 | 385 | 12 | 33 | 44.38 | 250 | 450 | 52 | 460 | 12 | 36 | 81.14 | |
| 300 | 515 | 42 | 450 | 16 | 33 | 64.17 | 300 | 515 | 56 | 525 | 16 | 39 | 112.95 | |
| 350 | 580 | 46 | 510 | 16 | 36 | 89.52 | 350 | 580 | 60 | 585 | 16 | 42 | 152.30 | |
| 400 | 660 | 50 | 585 | 16 | 39 | 126.76 | 400 | 660 | - | - | 16 | - | - | |
| 500 | 755 | 56 | 670 | 20 | 42 | 184.63 | 500 | 755 | - | - | 20 | - | - | |
| 600 | 890 | 62 | 795 | 20 | 48 | 285.17 | 600 | 890 | - | - | 20 | - | - | |
| 700 | 995 | 64 | 900 | 24 | 48 | 368.83 | 700 | 995 | - | - | 24 | - | - | |
| 800 | 1140 | 70 | 1030 | 24 | 56 | 528.39 | 800 | 1140 | - | - | 24 | - | - | |
| 900 | 1250 | 76 | 1140 | 28 | 56 | 690.99 | 900 | 1250 | - | - | 28 | - | - | |
| 1000 | 1360 | 84 | 1250 | 28 | 56 | 912.42 | 1000 | 1360 | - | - | 28 | - | - | |

| DIN 2527 PN100 (in mm) | ||||||||
| Nominal Pipe Size | Flange Dia | Thickness of Flange | Dia of Bolt Circle | Dia of R/F | Thickness of R/F | No. of | Dia of Bolt Holes | |
| DN | D | B | K | D4 | F | Holes | D2 | KG |
| 10 | 100 | 20 | 70 | 40 | 2 | 4 | 14 | 1.04 |
| 15 | 105 | 20 | 75 | 45 | 2 | 4 | 14 | 1.16 |
| 25 | 140 | 24 | 100 | 68 | 2 | 4 | 18 | 2.54 |
| 32 | 155 | 24 | 110 | 78 | 2 | 4 | 22 | 3.07 |
| 40 | 170 | 26 | 125 | 88 | 3 | 4 | 22 | 3.97 |
| 50 | 195 | 28 | 145 | 102 | 3 | 4 | 26 | 5.64 |
| 65 | 220 | 30 | 170 | 122 | 3 | 8 | 26 | 7.43 |
| 80 | 230 | 32 | 180 | 138 | 3 | 8 | 26 | 8.84 |
| 100 | 265 | 36 | 210 | 162 | 3 | 8 | 30 | 13.31 |
| 125 | 315 | 40 | 250 | 188 | 3 | 8 | 33 | 21.30 |
| 150 | 355 | 44 | 290 | 218 | 3 | 12 | 33 | 29.43 |
| 175 | 385 | 48 | 320 | 260 | 3 | 12 | 33 | 38.75 |
| 200 | 430 | 52 | 360 | 285 | 3 | 12 | 36 | 52.66 |
| 250 | 505 | 60 | 430 | 345 | 3 | 12 | 39 | 85.41 |
| 300 | 585 | 68 | 500 | 410 | 4 | 16 | 42 | 128.05 |
| 350 | 655 | 74 | 560 | 465 | 4 | 16 | 48 | 174.53 |