
| DIN 2565 PN 6 (in mm) | |||||||||||
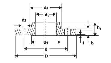
| Nominal Pipe Size | Flange Dia | Flange I.D | Thickness of Flange | Dia of Bolt Cirlce | Length Through Hub | Dia of Hub | Dia of R/F | Thickness of R/F | No. of | Dia of Bolt Holes | |
| DN | D | D5 | B | K | H1 | D3 | D4 | F | holes | D2 | KG |
| 6 | 65 | 11.7 | 10 | 40 | 18 | 18 | 25 | 2 | 4 | 11.5 | 0.19 |
| 8 | 70 | 15.0 | 10 | 45 | 18 | 22 | 30 | 2 | 4 | 11.5 | 0.23 |
| 10 | 75 | 17.70 | 12 | 50 | 20 | 25 | 35 | 2 | 4 | 11.5 | 0.32 |
| 15 | 80 | 22.00 | 12 | 55 | 20 | 30 | 40 | 2 | 4 | 11.5 | 0.37 |
| 20 | 90 | 27.60 | 14 | 65 | 24 | 40 | 50 | 2 | 4 | 11.5 | 0.58 |
| 25 | 100 | 34.40 | 14 | 75 | 24 | 50 | 60 | 2 | 4 | 11.5 | 0.73 |
| 32 | 120 | 43.10 | 14 | 90 | 26 | 60 | 70 | 2 | 4 | 14.0 | 1.05 |
| 40 | 130 | 49.00 | 14 | 100 | 26 | 70 | 80 | 3 | 4 | 14.0 | 1.20 |
| 50 | 140 | 61.10 | 14 | 110 | 28 | 80 | 90 | 3 | 4 | 14.0 | 1.54 |
| 65 | 160 | 77.10 | 14 | 130 | 32 | 100 | 110 | 3 | 4 | 14.0 | 1.87 |
| 80 | 190 | 90.30 | 16 | 150 | 34 | 110 | 128 | 3 | 4 | 18.0 | 2.78 |
| 100 | 210 | 115.90 | 16 | 170 | 38 | 130 | 148 | 3 | 4 | 18.0 | 3.07 |
| 150 | 240 | 170.50 | 18 | 200 | 40 | 160 | 178 | 3 | 8 | 18.0 | 4.33 |
| 200 | 285 | 221.80 | 18 | 225 | 44 | 185 | 202 | 3 | 8 | 18.0 | 4.81 |

| DIN 2566 PN 16 (in mm) | |||||||||||
| Nominal Pipe Size | Flange Dia | Flange I.D | Thickness of Flange | Dia of Bolt Cirlce | Length Through Hub | Dia of Hub | Dia of R/F | Thickness of R/F | No. of | Dia of Bolt Holes | |
| DN | D | D5 | B | K | H1 | D3 | D4 | F | holes | D2 | KG |
| 6 | 75 | 11.7 | 12 | 50 | 18 | 20 | 32 | 2 | 4 | 11 | 0.33 |
| 8 | 80 | 15.0 | 12 | 55 | 18 | 25 | 38 | 2 | 4 | 11 | 0.39 |
| 10 | 90 | 17.70 | 14 | 60 | 20 | 30 | 40 | 2 | 4 | 14 | 0.56 |
| 15 | 95 | 22.00 | 14 | 65 | 20 | 35 | 45 | 2 | 4 | 14 | 0.62 |
| 20 | 105 | 27.60 | 16 | 75 | 24 | 45 | 58 | 2 | 4 | 14 | 0.92 |
| 25 | 115 | 34.40 | 16 | 85 | 24 | 52 | 68 | 2 | 4 | 14 | 1.10 |
| 32 | 140 | 43.10 | 16 | 100 | 26 | 60 | 78 | 2 | 4 | 18 | 1.59 |
| 40 | 150 | 49.00 | 16 | 110 | 26 | 70 | 88 | 3 | 4 | 18 | 1.77 |
| 50 | 165 | 61.10 | 18 | 125 | 28 | 85 | 102 | 3 | 4 | 18 | 2.41 |
| 65 | 185 | 77.10 | 18 | 145 | 32 | 105 | 122 | 3 | 4 | 18 | 3.13 |
| 80 | 200 | 90.30 | 20 | 160 | 34 | 118 | 138 | 3 | 4 | 18 | 3.95 |
| 100 | 220 | 115.90 | 20 | 180 | 38 | 140 | 158 | 3 | 8 | 18 | 4.38 |
| 125 | 250 | 143.80 | 22 | 210 | 40 | 168 | 188 | 3 | 8 | 18 | 5.99 |
| 150 | 285 | 170.50 | 22 | 240 | 44 | 196 | 212 | 3 | 8 | 22 | 7.42 |