
| Table D for W. Steam Pressure upto 50 lbs per Sq. Inch (in inches) | Table E for W. Steam Pressure 50 lbs and upto 100 lbs per Sq. Inch (in inches) | ||||||||||||||
| Nominal |
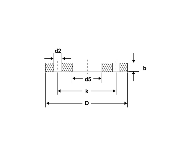
Dia. of Flange |
I.D. of Flange | Dia. of Bolt Circle |
No. of |
Dia. of Bolt |
Thickness | Nominal |
Dia. of Flange |
I.D. of Flange | Dia. of Bolt Circle |
No. of |
Dia. of Bolt |
Thickness | ||
| Pipe Size | D | d5 | k | Holes | d2 | b | Pipe Size | D | d5 | k | Holes | d2 | b | ||
| 1/2" | 3.3/4" | 7/8" | 2.5/8" | 4 | 1/2" | 3/16" | 1/2" | 3.3/4" | 7/8" | 2.5/8" | 4 | 1/2" | 1/4" | ||
| 3/4" | 4" | 1.3/32" | 2.7/8" | 4 | 1/2" | 3/16" | 3/4" | 4" | 1.3/32" | 2.7/8" | 4 | 1/2" | 1/4" | ||
| 1" | 4.1/2" | 1.23/64" | 3.1/4" | 4 | 1/2" | 3/16" | 1" | 4.1/2" | 1.23/64" | 3.1/4" | 4 | 1/2" | 9/32" | ||
| 1.1/4" | 4.3/4" | 1.45/64" | 3.7/16" | 4 | 1/2" | 1/4" | 1.1/4" | 4.3/4" | 1.45/64" | 3.7/16" | 4 | 1/2" | 5/16" | ||
| 1.1/2" | 5.1/4" | 1.15/16" | 3.7/8" | 4 | 1/2" | 1/4" | 1.1/2" | 5.1/4" | 1.15/16" | 3.7/8" | 4 | 1/2" | 11/32" | ||
| 2" | 6" | 2.7/16" | 4.1/2" | 4 | 5/8" | 5/16" | 2" | 6" | 2.7/16" | 4.1/2" | 4 | 5/8" | 3/8" | ||
| 2.1/2 | 6.1/2" | 2.15/16" | 5" | 4 | 5/8" | 5/16" | 2.1/2" | 6.1/2" | 2.15/16" | 5" | 4 | 5/8" | 13/32" | ||
| 3" | 7.1/4" | 3.37/64" | 5.3/4" | 4 | 5/8" | 3/8" | 3" | 7.1/4" | 3.37/64" | 5.3/4" | 4 | 5/8" | 7/16" | ||
| 3.1/2" | 8" | 4.5/64" | 6.1/2" | 4 | 5/8" | 3/8" | 3.1/2" | 8" | 4.5/64" | 6.1/2" | 8 | 5/8" | 15/32" | ||
| 4" | 8.1/2" | 4.37/64" | 7" | 4 | 5/8" | 3/8" | 4" | 8.1/2" | 4.37/64" | 7" | 8 | 5/8" | 1/2" | ||
| 5" | 10" | 5.43/64" | 8.1/4" | 8 | 5/8" | 1/2" | 5" | 10" | 5.43/64" | 8.1/4" | 8 | 5/8" | 9/16" | ||
| 6" | 11" | 6.23/32" | 9.1/4" | 8 | 5/8" | 1/2" | 6" | 11" | 6.23/32" | 9.1/4" | 8 | 3/4" | 11/16" | ||
| 7" | 12" | 7.5/8" | 10.1/4" | 8 | 5/8" | 1/2" | 7" | 12" | 7.5/8" | 10.1/4" | 8 | 3/4" | 3/4" | ||
| 8' | 13.1/4" | 8.23/32" | 11.1/2" | 8 | 5/8" | 1/2" | 8" | 12.1/4" | 8.23/32" | 11.1/2" | 8 | 3/4" | 3/4" | ||
| 9" | 14.1/2" | 9.23/32" | 12.3/4" | 8 | 5/8" | /8" | 9" | 14.1/2" | 9.23/32" | 12.3/4" | 12 | 3/4" | 13/16" | ||
| 10" | 16" | 10.7/8" | 14" | 8 | 3/4" | 5/8"> | 10" | 16" | 10.7/8" | 14" | 12 | 3/4" | 7/8" | ||
| 12" | 18" | 12.7/8" | 16" | 12 | 3/4" | 5/8" | 12" | 18" | 12.7/8" | 16" | 12 | 7/8" | 1" | ||
| 14" | 20.3/4" | 14.9/64" | 18.1/2" | 12 | 7/8" | 3/4" | 4" | 20.3/4" | 14.9/64" | 18.1/2" | 12 | 7/8" | 1" | ||
| 16" | 22.3/4" | 16.5/32" | 20.1/2" | 12 | 7/8" | 3/4" | 6" | 22.3/4" | 16.5/32" | 20.1/2" | 12 | 7/8" | 1" | ||
| 18" | 25.1/4" | 18.3/16" | 23" | 12 | 7/8" | 7/8" | 18" | 25.1/4" | 18.3/16" | 23" | 16 | 7/8" | 1.1/8" | ||
| 20" | 27.3/4" | 20.13/16" | 25.1/4" | 16 | 7/8" | 1" | 20" | 27.3/4" | 20.13/16" | 25.1/4" | 16 | 7/8" | 1.1/4" | ||
| 24" | 32.1/2" | 24.1/4" | 29.3/4" | 16 | 1" | 1.1/8" | 24" | 32.1/2" | 24.1/4" | 29.3/4" | 16 | 1" | 1.1/2" | ||