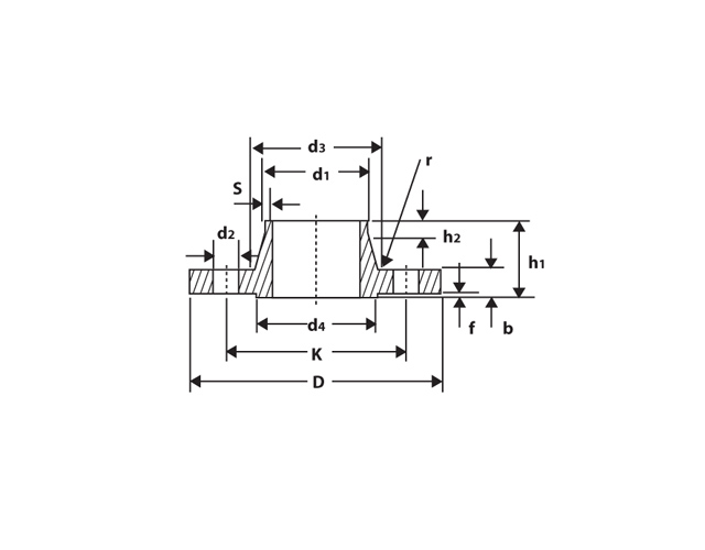
DIN 2633 / DIN 2634 / DIN 2635

| DIN 2633 PN16 (in mm) |
| Nominal Pipe Size |
Diameter at weld Bevel |
Flange Dia |
Thickness of Flange |
Dia of Bolt Circle |
Length Through Hub |
Dia of Hub |
Wall Thickness |
Radius of Hub |
Straight Portion |
Dia of R/F |
Thickness of R/F |
No. of |
Dia of Bolt Holes |
|
| DN |
D1 |
D |
B |
K |
H1 |
D3 |
S |
R |
H2 |
D4 |
F |
holes |
D2 |
KG |
| 10 |
17.2 |
90 |
14 |
60 |
35 |
28 |
1.8 |
4 |
6 |
40 |
2 |
4 |
14 |
0.58 |
| 15 |
21.3 |
95 |
14 |
65 |
35 |
32 |
2.0 |
4 |
6 |
45 |
2 |
4 |
14 |
0.65 |
| 20 |
26.9 |
105 |
16 |
75 |
38 |
40 |
2.3 |
4 |
6 |
58 |
2 |
4 |
14 |
0.95 |
| 25 |
33.7 |
115 |
16 |
85 |
38 |
45 |
2.6 |
4 |
6 |
68 |
2 |
4 |
14 |
1.14 |
| 32 |
42.4 |
140 |
16 |
100 |
40 |
56 |
2.6 |
6 |
6 |
78 |
2 |
4 |
18 |
1.65 |
| 40 |
48.3 |
150 |
16 |
110 |
42 |
64 |
2.6 |
6 |
7 |
88 |
3 |
4 |
18 |
1.83 |
| 50 |
60.3 |
165 |
18 |
125 |
45 |
75 |
2.9 |
6 |
8 |
102 |
3 |
4 |
18 |
2.48 |
| 65 |
76.1 |
185 |
18 |
145 |
45 |
90 |
2.9 |
6 |
10 |
122 |
3 |
4 |
18 |
3.03 |
| 80 |
88.9 |
200 |
20 |
160 |
50 |
105 |
3.2 |
8 |
10 |
138 |
3 |
8 |
18 |
3.82 |
| 100 |
114.3 |
220 |
20 |
180 |
52 |
131 |
3.6 |
8 |
12 |
158 |
3 |
8 |
18 |
4.41 |
| 125 |
139.7 |
250 |
22 |
210 |
55 |
156 |
4.0 |
8 |
12 |
188 |
3 |
8 |
18 |
6.07 |
| 150 |
168.3 |
285 |
22 |
240 |
55 |
184 |
4.5 |
10 |
12 |
212 |
3 |
8 |
22 |
7.40 |
| 175 |
193.7 |
315 |
24 |
270 |
60 |
210 |
5.4 |
10 |
12 |
242 |
3 |
8 |
22 |
9.86 |
| 200 |
219.1 |
340 |
24 |
295 |
62 |
235 |
5.9 |
10 |
16 |
268 |
3 |
12 |
22 |
10.85 |
| 250 |
273.0 |
405 |
26 |
355 |
70 |
292 |
6.3 |
12 |
16 |
320 |
3 |
12 |
26 |
15.87 |
| 300 |
323.9 |
460 |
28 |
410 |
78 |
344 |
7.1 |
12 |
16 |
378 |
4 |
12 |
26 |
21.24 |
| 350 |
355.6 |
520 |
30 |
470 |
82 |
390 |
8.0 |
12 |
16 |
438 |
4 |
16 |
26 |
31.38 |
| 400 |
406.4 |
580 |
32 |
525 |
85 |
445 |
8.0 |
12 |
16 |
490 |
4 |
16 |
30 |
39.30 |
| 500 |
508.0 |
715 |
34 |
650 |
90 |
548 |
8.0 |
12 |
16 |
610 |
4 |
20 |
33 |
59.63 |
| 600 |
610.0 |
840 |
36 |
770 |
95 |
652 |
8.8 |
12 |
18 |
725 |
5 |
20 |
36 |
82.54 |
| 700 |
711.0 |
910 |
36 |
840 |
100 |
755 |
8.8 |
12 |
18 |
795 |
5 |
24 |
36 |
83.90 |
| 800 |
813.0 |
1025 |
38 |
950 |
105 |
855 |
10.0 |
12 |
20 |
900 |
5 |
24 |
39 |
107.30 |
| 900 |
914.0 |
1125 |
40 |
1050 |
110 |
955 |
10.0 |
12 |
20 |
1000 |
5 |
28 |
39 |
124.97 |
| 1000 |
1016.0 |
1255 |
42 |
1170 |
120 |
1058 |
10.0 |
16 |
22 |
1115 |
5 |
28 |
42 |
163.76 |
| 1200 |
1220.0 |
1485 |
48 |
1390 |
130 |
1262 |
12.5 |
16 |
30 |
1330 |
5 |
32 |
48 |
244.15 |
| 1400 |
1420.0 |
1685 |
52 |
1590 |
145 |
1465 |
14.2 |
16 |
30 |
1530 |
5 |
36 |
48 |
320.87 |
| 1600 |
1620.0 |
1930 |
58 |
1820 |
160 |
1668 |
16.0 |
16 |
35 |
1750 |
5 |
40 |
56 |
465.83 |
| 1800 |
1820.0 |
2130 |
62 |
2020 |
170 |
1870 |
17.5 |
16 |
35 |
1950 |
5 |
44 |
56 |
570.52 |
| 2000 |
2020.0 |
2345 |
66 |
2230 |
180 |
2072 |
20.0 |
16 |
40 |
2150 |
5 |
48 |
62 |
706.74 |
|

| DIN 2634 PN
25 (in mm) |
| Nominal Pipe Size |
Diameter at weld Bevel |
Flange Dia |
Thickness of Flange |
Dia of Bolt Circle |
Length Through Hub |
Dia of Hub |
Wall Thickness |
Radius of Hub |
Straight Portion |
Dia of R/F |
Thickness of R/F |
No. of |
Dia of Bolt Holes |
|
| DN |
D1 |
D |
B |
K |
q |
D3 |
S |
R |
H2 |
D4 |
F |
holes |
D2 |
KG |
| 10 |
17.2 |
90 |
16 |
60 |
35 |
28 |
1.8 |
4 |
6 |
40 |
2 |
4 |
14 |
0.66 |
| 15 |
21.3 |
95 |
16 |
65 |
38 |
32 |
2.0 |
4 |
6 |
45 |
2 |
4 |
14 |
0.75 |
| 20 |
26.9 |
105 |
18 |
75 |
40 |
40 |
2.3 |
4 |
6 |
58 |
2 |
4 |
14 |
1.07 |
| 25 |
33.7 |
115 |
18 |
85 |
40 |
46 |
2.6 |
4 |
6 |
68 |
2 |
4 |
14 |
1.28 |
| 32 |
42.4 |
140 |
18 |
100 |
42 |
56 |
2.6 |
6 |
6 |
78 |
2 |
4 |
18 |
1.86 |
| 40 |
48.3 |
150 |
18 |
110 |
45 |
64 |
2.6 |
6 |
7 |
88 |
3 |
4 |
18 |
2.08 |
| 50 |
60.3 |
165 |
20 |
125 |
48 |
75 |
2.9 |
6 |
8 |
102 |
3 |
4 |
18 |
2.78 |
| 65 |
76.1 |
185 |
22 |
145 |
52 |
90 |
2.9 |
6 |
10 |
122 |
3 |
8 |
18 |
3.61 |
| 80 |
88.9 |
200 |
24 |
160 |
58 |
105 |
3.2 |
8 |
12 |
138 |
3 |
8 |
18 |
4.62 |
| 100 |
114.3 |
235 |
24 |
190 |
65 |
134 |
3.6 |
8 |
12 |
162 |
3 |
8 |
22 |
6.27 |
| 125 |
139.7 |
270 |
26 |
220 |
68 |
162 |
4.0 |
8 |
12 |
188 |
3 |
8 |
26 |
8.61 |
| 150 |
166.3 |
300 |
28 |
250 |
75 |
192 |
4.5 |
10 |
12 |
218 |
3 |
8 |
26 |
11.29 |
| 175 |
193.7 |
330 |
28 |
280 |
75 |
218 |
5.6 |
10 |
15 |
248 |
3 |
12 |
26 |
13.11 |
| 200 |
219.1 |
360 |
30 |
310 |
80 |
244 |
6.3 |
10 |
16 |
278 |
3 |
12 |
26 |
16.61 |
| 250 |
273.0 |
425 |
32 |
370 |
88 |
298 |
7.1 |
12 |
18 |
335 |
3 |
12 |
30 |
23.48 |
| 300 |
323.9 |
485 |
34 |
430 |
92 |
352 |
8.0 |
12 |
18 |
395 |
4 |
16 |
30 |
30.74 |
| 350 |
355.6 |
555 |
38 |
490 |
100 |
398 |
8.0 |
12 |
20 |
450 |
4 |
16 |
33 |
47.20 |
| 400 |
406.4 |
620 |
40 |
550 |
110 |
452 |
8.8 |
12 |
20 |
505 |
4 |
16 |
36 |
61.69 |
| 500 |
508.0 |
730 |
44 |
660 |
125 |
558 |
10.0 |
12 |
20 |
615 |
4 |
20 |
36 |
89.57 |
| 600 |
610.0 |
845 |
46 |
770 |
125 |
660 |
11.0 |
12 |
20 |
720 |
5 |
20 |
39 |
114.96 |
| 700 |
711.0 |
960 |
46 |
875 |
125 |
760 |
12.5 |
12 |
20 |
820 |
5 |
24 |
42 |
139.50 |
| 800 |
813.0 |
1085 |
50 |
990 |
135 |
865 |
14.2 |
12 |
22 |
930 |
5 |
24 |
48 |
188.71 |
| 900 |
914.0 |
1185 |
54 |
1090 |
145 |
968 |
16.0 |
12 |
24 |
1030 |
5 |
28 |
48 |
231.48 |
| 1000 |
1016.0 |
1320 |
58 |
1210 |
155 |
1070 |
17.5 |
16 |
24 |
1140 |
5 |
28 |
56 |
303.52 |
|

| DIN
2635 PN 40 (in mm) |
| Nominal Pipe Size |
Diameter at weld Bevel |
Flange Dia |
Thickness of Flange |
Dia of Bolt Circle |
Length Through Hub |
Dia of Hub |
Wall Thickness |
Radius of Hub |
Straight Portion |
Dia of R/F |
Thickness of R/F |
No. of |
Dia of Bolt Holes |
|
| DN |
D1 |
D |
B |
K |
H1 |
D3 |
S |
R |
H2 |
D4 |
F |
holes |
D2 |
KG |
| 10 |
17.2 |
90 |
16 |
60 |
35 |
28 |
1.8 |
4 |
6 |
40 |
2 |
4 |
14 |
0.66 |
| 15 |
21.3 |
95 |
16 |
65 |
38 |
32 |
2.0 |
4 |
6 |
45 |
2 |
4 |
14 |
0.75 |
| 20 |
26.9 |
105 |
18 |
75 |
40 |
40 |
2.3 |
4 |
6 |
58 |
2 |
4 |
14 |
1.07 |
| 25 |
33.7 |
115 |
18 |
85 |
40 |
46 |
2.6 |
4 |
6 |
68 |
2 |
4 |
14 |
1.28 |
| 32 |
42.4 |
140 |
18 |
100 |
42 |
56 |
2.6 |
6 |
6 |
78 |
2 |
4 |
18 |
1.86 |
| 40 |
48.3 |
150 |
18 |
110 |
45 |
64 |
2.6 |
6 |
7 |
88 |
3 |
4 |
18 |
2.08 |
| 50 |
60.3 |
165 |
20 |
125 |
48 |
75 |
2.9 |
6 |
8 |
102 |
3 |
4 |
18 |
2.78 |
| 65 |
76.1 |
185 |
22 |
145 |
52 |
90 |
2.9 |
6 |
10 |
122 |
3 |
8 |
18 |
3.81 |
| 80 |
88.9 |
200 |
24 |
160 |
58 |
105 |
3.2 |
8 |
12 |
138 |
3 |
8 |
18 |
4.62 |
| 100 |
114.3 |
235 |
24 |
190 |
65 |
134 |
3.6 |
8 |
12 |
162 |
3 |
8 |
22 |
6.27 |
| 125 |
139.7 |
270 |
26 |
220 |
68 |
162 |
4.0 |
8 |
12 |
188 |
3 |
8 |
26 |
8.61 |
| 150 |
168.3 |
300 |
28 |
250 |
75 |
192 |
4.5 |
10 |
12 |
218 |
3 |
8 |
26 |
11.29 |
| 175 |
193.7 |
350 |
32 |
295 |
82 |
218 |
5.6 |
10 |
15 |
260 |
3 |
12 |
30 |
17.01 |
| 200 |
219.1 |
375 |
34 |
320 |
88 |
244 |
6.3 |
10 |
16 |
285 |
3 |
12 |
30 |
20.49 |
| 250 |
273.0 |
450 |
38 |
385 |
105 |
306 |
7.1 |
12 |
18 |
345 |
3 |
12 |
33 |
33.34 |
| 300 |
323.9 |
515 |
42 |
450 |
115 |
362 |
8.0 |
12 |
18 |
410 |
4 |
16 |
33 |
46.55 |
| 350 |
355.6 |
580 |
46 |
510 |
125 |
408 |
8.8 |
12 |
20 |
465 |
4 |
16 |
36 |
67.73 |
| 400 |
406.4 |
660 |
50 |
585 |
135 |
462 |
11.0 |
12 |
20 |
535 |
4 |
16 |
39 |
96.73 |
| 500 |
508.0 |
755 |
52 |
670 |
140 |
562 |
14.2 |
12 |
20 |
615 |
4 |
20 |
42 |
120.96 |
|